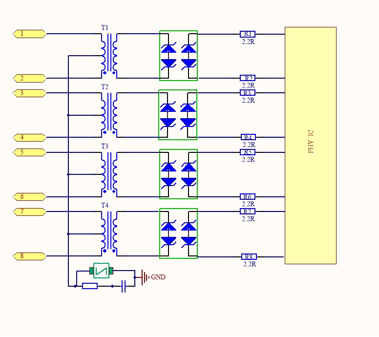
交換機是連接兩個或多個網絡的硬件設備,在網絡間起網關的作用,是讀取每一個數據包中的地址然後決定如何傳送的專用智能性的網絡設備。設備在氣候變暖,雷雨天氣增多的時候易受到雷擊,浪涌的衝擊損壞。爲了保護設備需在變壓器的前端做浪涌共模保護在變壓器的後端加低結電容低漏電流TVS保護。
功能特點
技術參數
線上客服
關 閉